Posuzování zděných staveb dle Eurokódu 8 na seizmicitu metodou postupného přitěžování
Článek pojednává o moderním způsobu posuzování zděných konstrukcí v seizmických oblastech v souladu s Eurokódem 8. Popisuje použití metody postupného přitěžování a metody ekvivalentního rámu při posuzování zděných staveb. Uvedená metodika byla implementována ve výpočetním programu [1] a je ověřena pomocí experimentálních výsledků. V závěru je popsána úspěšná aplikace při návrhu obytné budovy ve Slovinsku.
Ve světě dochází každý rok ke stovkám zemětřesení, které mají často katastrofální následky na lidských životech a majetku. Proto se způsob navrhování konstrukcí na seizmickou odolnost stále vyvíjí, zejména s ohledem na vyšší bezpečnost a efektivitu. Zavedení Eurokódů v Evropské unii přináší přísnější požadavky na seizmické posouzení návrhu zděných budov. Tyto nové požadavky přináší vyšší úroveň bezpečnosti ve stavebnictví, ale také zvyšují nároky na inženýry, aby přijaly nové metody a postupy návrhu. Po zavedení Eurokódu 8 pro ČR je nutno od 1. 3. 2010 posuzovat na seizmické účinky i zděné stavby na území České republiky. Ustanovení této normy nemusí být dodržována ve speciálních případech velmi malé seizmicity, která je určeno hranicí
kde g značí gravitační zrychlení, ag je návrhové zrychlení podloží typu A, agR referenční špičkové zrychlení podloží typu A, γI je součinitel významu konstrukce v rozmezí 1,0 až 1,4. S je součinitel podloží, který se pro typické konstrukce pohybuje v rozmezí 1,0 až 1,2. Při pohledu do mapy seizmických oblastí v ČR [5] je zřejmé, že na cca 60 % území České republiky není nutné požadavky Eurokódu 8 dodržovat. Jedná se o oblasti, kde špičkové zrychlení agR ≤ 0,03 g. Na zbývajících cca 40 % území je nutné k ustanovením Eurokódu 8 přihlížet. V mnoha případech si inženýr vystačí pouze s jednoduchým přístupem a dodržením konstrukčních zásad. V případě nevhodných podloží a budov se součinitelem významu III a IV (např. školy, nemocnice, společenské budovy) může dojít k překročení hranice pro případy malé seizmicity (agRγIS ≤ 0,1 g) a poté je nutné provést posouzení stavby na seizmické zatížení. Ve čtyřech okresech: Frýdek-Místek, Cheb, Karviná, Ostrava je nutné seizmické výpočty provádět téměř vždy. Eurokód 8 v tomto směru podporuje nové moderní metody a konstrukční přístupy. Jedná se například o metodu postupného přitěžování nebo-li „push-over” analýzu. Tato metoda umožňuje inženýrům uvažovat disipativní vlastnosti staveb více realisticky a přitom udržet složitost a náročnost výpočtu v přijatelných mezích.
Uvedené metody byly implementovány ve výpočtovém programu [1] a ověřeny pomocí testů se známým analytickým řešením a porovnáním s experimenty. Experimentální data z prostého a sepnutého zdiva, které jsou dostupné v odborné literatuře, byly použity pro ověření modelování chování zděných stěn. Pro srovnání výsledků na složitějších konstrukcích byly použity výsledky projektu ESECMaSe [10], [11].
Tento přístup, který je v souladu s Eurokódy, představuje řešení, které je spíše konzervativní, ale zároveň může poskytnout vyšší využití kapacity konstrukce ve srovnání se standardními přístupy založenými na lineární analýze a součiniteli duktility. Zároveň však metoda poskytuje lepší přehled o chování a způsobu porušení konstrukce.
Metoda postupného přitěžování „pushover”
Nelineární pushover analýza je alternativa k standardnímu navrhování konstrukcí pro seizmicitu na základě lineární analýzy a součinitelů duktility. Pushover analýza dává lepší odhad o celkovém chování konstrukce a místech rozvoje plastických deformací. Podrobně je použití pushover analýzy popsáno v normě EC8 [5] nebo např. v práci [9]. Jedná se o nelineární analýzu, která zohledňuje vznik trhlin a plastických kloubů v konstrukci. Model konstrukce je nejprve zatížen stálým a nahodilým zatížením a poté je přitěžován postupně narůstajícím seizmickým zatížení, které je vyjádřené vodorovnými silami působícími v každém patře. Důležité je rozložení vodorovných sil po výšce budovy, které je úměrné hmotnosti jednotlivých pater a má konstantní a trojúhelníkový průběh. Vodorovné seizmické zatížení je postupně zvyšováno a výsledkem je zatěžovací křivka konstrukce, jak je znázorněno na obr. 1.
Hlavním principem metody je porovnání vodorovné deformace kontrolovaného bodu (většinou střed horního patra) s požadovaným cílovým posunem stanoveným na základě ekvivalentního systému s jedním stupněm volnosti a s použitím pružného spektra seizmické odezvy. Získaná nelineární odezva Fb/dn je nahrazena idealizovanou bi-lineární křivkou F*/D* (viz. obr. 1). Idealizovaná křivka je určena tak, aby plochy omezené skutečným a idealizovaným pracovním diagramem byly stejné. Idealizovaná křivka se poté transformuje pomocí součinitele Γf viz rovnice (2) na ekvivalentní systém s jedním stupněm volnosti. Síla na mezi kluzu Fy* představuje únosnost idealizovaného systému a je rovna smykové síle v základu při vytvoření plastického mechanismu.

, kde

Ve výrazech (2) Fi značí normalizované boční zatížení Fi = miΦi, kde mi je hmotnost patra i a Φi popisuje průběh vodorovných sil v úrovni patra i. Platí že Φn = 1, kde n je kontrolní bod, obvykle horní patro.
Idealizovanou křivku je možné zaznamenat do stejného grafu (viz. obr. 2) se spektrem pružné odezvy Se(T), které vyjadřuje zrychlení pružného systému s jedním stupněm v dané zemětřesné oblasti v závislosti na vlastní periodě kmitání T.
Perioda vlastních kmitů idealizované náhradní soustavy s jedním stupněm volnosti odpovídá počáteční tuhosti idealizovaného systému a je určena vztahem:

Na základě periody T* je možné určit očekávanou deformaci pružného systému:

Tento postup je možné znázornit i graficky jak je uvedeno na obr. 2. Výsledný cílový posun dt se určí na základě d*et a transformačního součinitele Γd. Podrobný postup je popsán v normě [5] a závisí na vypočtené hodnotě vlastní periody T*. Na obr. 2 je graficky znázorněn případ střední, až dlouhé periody, kdy platí:
Se(T) záleží na ag (návrhovém zrychlení), které je odlišné pro dva limitní stavy ULS a DLS (požadavek vyloučení zřícení a omezeného poškození). Proto jsou vypočteny dvě hodnoty dt: dtULS a dtDLS. První z nich je pro kontrolu ULS a druhá pro DLS. Tyto hodnoty jsou v každém kroku výpočtu kontrolovány. Analýza pokračuje tak dlouho, dokud největší posun horního bodu d(n) není větší, než 1,5 dtUL nebo dokud smyková síla neklesne pod 80 % maximální dosažené hodnoty.
Metoda ekvivalentního rámu
S předchozího popisu je zřejmě, že metoda pushover vyžaduje provést poměrně náročnou nelineární analýzu zkoumané konstrukce. Metoda ekvivalentního rámu umožňuje vytvořit efektivní výpočtový model, v kterém se všechny horizontální i vertikální prvky konstrukce nahradí 1D prutovými konečnými prvky, které jsou spojené tuhými rameny v rovině stropu (viz. obr. 3). Strop má ve své rovině nekonečnou tuhost, zatímco z roviny je tuhost, buď zanedbatelná, nebo také nekonečná dle volby inženýra. Věnec, překlad a parapet se vytváří z 1D prutových prvků, přičemž na nejbližší stěnu se připojuje pomocí tuhých ramen.
Náhradní prut má průřezové charakteristiky stejné jako stěna, ze které vznikl, a proto má stejné smykové i ohybové chování. Do železobetonových prvků (např. překladů) se modeluje i výztuž s jejím přesným umístěním. Pro prvky ze zdiva se posuzuje únosnost neboli meze vnitřních sil pro vznik plastického kloubu příslušné normy EC6 [4]. Pro prvky ze železobetonu podle normy EC2 [3]. Stěny ze zdiva jsou modelované jako celé prvky s homogenními vlastnostmi po celé délce, čili spáry ve zdivu se v konečném prvku nezohledňují.
Výhody této metody jsou: možnost nelineární analýzy, jednoduchá tvorba modelu, modelování přesného vyztužení železobetonového průřezu a menší náročnost výpočtu oproti použití metody konečných prvků s 2D nebo 3D objemovými prvky.
Zdivo je možné modelovat nevyztužené, vyztužené a sevřené. V průběhu přitěžování se po každém kroku vyhodnotí poškození prvků. Vypočítané vnitřní síly se porovnají s mezními vnitřními silami, kde se uvažuje s plně zplastizovanými tlačenými zónami průřezu. Po vzniku plastického kloubů výpočet kontroluje deformaci prutu podle normových předpokladů, a když relativní deformace prutu přesáhne normové limity, předpokládá se, že došlo k vyčerpání přetvárných schopností prvku a jeho smyková nebo ohybová únosnost klesne na nulu.
Analýza probíhá pro každý směr zvlášť v kladném i záporném směru s uvážením náhodné excentricity. Výsledkem je celkem šestnáct analýz, čtyři pro každý směr, kde dvě jsou v kladném směru s pozitivní a negativní excentricitou a dvě v záporném. Analýza vyhovuje, pokud konstrukce pro každý směr zatížení dosáhne cílové deformace kontrolního bodu, jak je popsáno výše.
Ověření metodiky pomocí experimentálních výsledků
Nejlepším způsobem ověření nelineárního výpočtu je porovnání výsledků výpočtu s analytickým řešením nebo laboratorními zkouškami. První prezentovaným příkladem je jednoduchá zeď 1000 × 300 × 2000 mm (viz obr. 4) tvořená z bloků Porotherm 38 zděných na tenkou maltu zatížena svislou silou 7,9 kN. V tab. 1 se uvádí porovnání výpočtu s analytickým řešením podle [4]. Numerický výpočet je založen na stejných předpokladech jako Eurokód 6, proto je dosaženo prakticky stejných výsledků.
| Ruční výpočet | Výpočet AmQuake | |
| Ohybová pevnost v polovině prutu | 2,8 kN | 2,83 kN |
| Pevnost ve smyku v polovině prutu | 41,0 kN | 40,68 kN |
| Pevnost ve smyku v místě vetknutí | 1,3 kN | 1,31 kN |
Dalším příkladem je ověření chování jednotlivé stěny porovnáním s laboratorní zkouškou, která byla uskutečněna na univerzitě v Ljubljani ve Slovinsku [8]. Rozměry testované zdi jsou 1000 × 300 × 1500 mm a byly vyrobeny z cihel Poroblok 29/25 s maltou M5 (obr. 5). Při ověřování byly využity zkoušky s vertikálním zatížením stěny odpovídajícím svislému napětí 0,6 MPa a 1,19 MPa. Maximální vodorovné síly a jejich deformační kapacita jsou porovnány v tab. 2. Z tabulky je zřejmé, že výpočtové předpoklady založené na normě Eurokódu poskytují konzervativní výpočet, který je vždy na straně bezpečnosti, v porovnáním se skutečností. Kromě toho je třeba si uvědomit, že výpočet odpovídá průměrnému chování stěny, což neplatí o jednotlivé zkoušce, která je použita pro srovnání.
| Výpočet AmQuake | Experiment | |
| ZAG 1, 1028 × 300 × 1510, σc= 0,6 [MPa] | ||
| Max. vodorovná síla Vmax [kN] | 48 | 55 |
| Max. deformace dmax [mm] | 11 | 30 |
| ZAG 2, 1028 × 300 × 1510, σc= 1,2 [MPa] | ||
| Max. vodorovná síla Vmax [kN] | 82 | 99 |
| Max. deformace dmax [mm] | 11 | 11 |
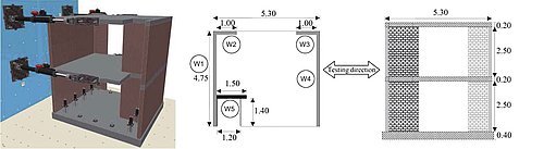
Dalším příkladem je složitější konstrukce, pro kterou ale rovněž existují laboratorní zkoušky. Test byl proveden v rámci evropského projektu ESECMaSE [11], [10]. V laboratořích ISPRA byl ověřen jednoduchý dvoupatrový zděný dům. Podrobný popis zkoušky lze nalézt v příloze [10]. Jedná se o typický malý domek, kde v laboratoři byla testována pouze symetrická polovina (obr. 6). Během experimentu bylo na budovu vyvíjeno vodorovné působení se zvyšujícím se maximálním zrychlením. Na základě výsledků z experimentů byla odvozena pushover křivka jako obálka maximálních sil pro každé podlaží a maximálních posunů.
Při výpočtu bylo vytvořeno několik variant modelů (se stropy bez ohybové i s ohybovou tuhostí, s ohybovou tuhostí stropu nahrazenou pomocí překladů, atd.) viz obr. 7. Porovnání výsledků je zobrazeno v tab. 3. Výsledky ukazují, že pomocí počítačové simulace dostáváme dobrý odhad maximální smykové síly, ale vždy se výsledky pohybují na straně bezpečnosti. Výsledky posunů horního patra jsou značně menší, než vyšly z experimentů. To může značit velice konzervativní nastavení limitů pro smykové posuny v Eurokódu 8.
| Popis | Max. smyk síla [kN] | Max. deformace [mm] | |
| Y+ | Y- | ||
| Model A – Deska volná | 90 | 90 | 35 |
| Model A – Deska pevná | 215 | 245 | 36 |
| Model B | 245 | 273 | 18 |
| ESECMaSE test [11], [10] | 270 | 350 | 70 |
Příklad praktické aplikace
Příklad aplikace výpočtu metodou pushover ukazuje posouzení bytové budovy náležící do projektu Kozolci ve Slovinsku podblíž města Ljubljana (viz obr. 8). Smyslem výpočtu bylo ověřit, zda je možné postavit zděnou konstrukci v relativně vysoké seizmické oblasti se seizmickým návrhovým zrychlením 0,225 g. Budova byla modelována metodou ekvivalentního rámu, jak je popsáno výše. Metodou postupného přitěžování byla konstrukce posouzena pro celkem 16 zatěžovacích stavů. Obr. 9 ukazuje vypočtenou zatěžovací křivku a posouzení pro jeden ze zatěžovacích stavů. Výsledný deformovaný tvar včetně způsobu porušení jednotlivých prvků zobrazuje obr. 10. Tato stavba se v současné době nachází ve fázi realizace. Využití moderního způsobu navrhování umožnilo vytvořit konstrukci s vyšším podílem stěn z pálených zdících prvků, které jsou efektivně doplněny železobetonovými výztužnými prvky. Díky tomu bude budova poskytovat příjemnější prostředí budoucím obyvatelům a investor ušetřil zhruba 30 % nákladů oproti klasickému návrhu s využitím železobetonové konstrukce pro celou budovu.
Závěr
Metoda postupného přitěžování konstrukce (pushover) spolu s metodou ekvivalentního rámu umožňuje efektivní posuzování zděných konstrukcí v seizmických oblastech. Jedná se o podstatně přesnější výpočet než klasický způsob pomocí lineárního výpočtu a součinitelů duktility, který dokáže spolehlivěji kvantifikovat skutečnou duktility konstrukce a tím zaručit spolehlivější návrh konstrukce. Praktický příklad slovinského projektu Kozolci ukazuje, že využití moderních výpočtových metod umožňuje navrhování zděných konstrukcí i v oblastech, kde mnozí inženýři volí železobetonovou konstrukci často pouze proto, že nemají vhodné nástroje pro posuzování jiných variant.
Představená metodika byla implementována v počítačovém programu [1] pro posuzování zděných konstrukcí ve spolupráci se společností Wienerberger.
Algoritmy a metody nelineárního výpočtu byly vyvinuty v rámci projektu SimSoft TA01011019 z programu Alfa Technologické agentury ČR.
Literatura
[1] Červenka, J., Jendele, L., a Janda, Z., AmQuake dokumentace programu, Červenka Consulting, 2010, www.amquake.eu
[2] Program ATENA – dokumentace programu – Teoretický manuál, Červenka Consulting s.r.o., Praha 2012, www.cervenka.cz
[3] ČSN EN 1992-1-1, Eurokód 2 – Navrhování betonových konstrukcí – Část 1-1: Obecná pravidla a pravidla pro pozemní stavby
[4] ČSN EN 1996-1-1, Eurokód 6 – Navrhování zděných konstrukcí – Část 1-1: Obecná pravidla pro vyztužené a nevyztužené zděné konstrukce
[5] ČSN EN 1998-1, Eurokód 8 – Navrhování konstrukcí odolných proti zemětřesení – Část 1: Obecná pravidla, seizmická zatížení a pravidla pro pozemní stavby
[6] Slimak, M., Ekvivalentná rámová metóda pre push-over analýzu murovaných konštrukcií – parametrická štúdia, diplomova práce, 2011
[7] Zach, R., Vergleich von Mauerwerksbautenberechnungsprogrammen unter seismischen einwirkungen, Ph.D. thesis, TU Graz, 2008
[8] Frumento, S., Magenes, G., Morandi, P., and Calvi, G.M., Interpretation of experimental shear tests on clay brick masonry walls and evaluation of q-factors for seismic design, IUSS Press, Research report No. 02.09, May 2009
[9] PhD Thesis of Paolo Morandi, New Proposals for Simplified Seismic Design of Masonry Buildings, November 2006, University of Pavia and ROSE School
[10] Brenker, E., Modellierung der pseudodynamischen Versuche an Reihenhäusern aus Kalksandsteinund, Ziegelmauerwerk am JRC Ispra mit Hilfe der Equivalent Frame Methode, Masterarbeit, Universitaet Kassel, 2010
[11] Meyer, U., González, A.C., EU-Forschungsprojekt ESECMaSE – eine zusammenfassende Bewertung aus der Sicht der deutschen Mauerwerkindustrie – Stand Herbst 2008, Ernst & Sohn Verlag fuer Architektur and technische Wissenschaften GmbH & Co. KG, Berlin - Mauerwerk 12 (2008) Helft 6, pp. 327-331

